详细内容

该模块是一款基于ZigBee标准协议栈的微功率无线数据传输模块。基于该模块开发具有串口(RS232、RS485、EtherNet、USB)的ZigBee无线通讯产品,可以用于各种智能仪表、家庭智能控制装置、安防、报警、酒店、机房设备无线监控、门禁系统、人员定位、智能交通、路灯控制、物流、有源RFID、POS系统、无线手持终端、工业遥控遥测、自动化设备数据采集、无线传感器网络等。
性能特点

自动组网:所有的模块上电即自动组网,网络内模块如掉电,网络具自我修复功能
数据传输:通过串口即可在任意节点间进行数据传播
数据透明传输:Coordinator从串口收到的数据会自动发给所有的节点;某个节点从串口收到的数据会自动发送给
Coordinator
简单易用:用户不用考虑ZigBee协议,像使用串口线一样使用无线模块
技术参数

主芯片 |
CC2530F256,256KFLASH |
输入电压 |
标准:DC 3.3V,范围:2.0V-3.6V |
工作频段 |
2.4GHz |
温度范围 |
-40℃~85℃ |
串口速率 |
38400bps(默认),可设置9600bps, 19200bps, 38400bps, 57600bps, 115200bps |
无线频率 |
2.4G(2460MHz),用户可通过串口指令更改频道(2405MHz – 2480MHz,步长:5MHz) |
无线协议 |
Zigbee2007 |
传输距离 |
传输距离1600米(可视,空旷区域) |
工作电流 |
发射:120mA(最大),80mA(平均),接收:45mA(最大)
待机:40mA(最大) |
接收灵敏度 |
-110 dBm |
体积 |
45x25mm(含天线座) |
可配置节点 |
可配置为Coordinator,Router
出厂默认值为:Router,PAN ID=0xFFFF,频道=11(2405MHz) |
接口 |
UART 3.3V TX – RX
内置RS485方向控制,可直接驱动RS485芯片
内置RS485与RS232选择功能
可直接驱动RS232芯片
可直接驱动USB转RS232芯片 |
Zigbee模块的组网

Zigbee网络通常由三种节点构成:
Coordinator(协调器):用来创建一个Zigbee网络,需要且只需要一个Coordinator,并为最初加入网络的节点分配地址;
Router(路由器):也称为Zigbee全功能节点,可以转发数据,起到路由的作用,也可以收发数据,当成一个数据节点,还能保持网络,为后加入的节点分配地址;
End Device(终端设备):终端节点,通常定义为电池供电的低功耗设备,通常工作在休眠状态,只周期性发送数据,不接收数据。
Zigbee模块出厂默认为Router,用户可通过配置软件自己设置想要的节点类型,即Coordinator或Router。
Zigbee模块组网:可根据用户设置的通道和PANID组建网络组,在一个组内通道与PANID需完全相同。
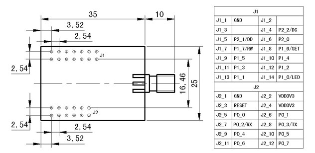
ZigBee模块尺寸及接脚定义

ZigBee模块设置软件界面

1、首先对PC机端口设置波特率值(默认38400),选择PC机串口屏打开,同时对串口参数配置进行设置或读取。
2、将任意一个模块设定为Coordinator,在Zigbee节点类型配置中,将模块节点的类型设置为Coordinator。
3、设置PAN ID和频道等参数,在组网过程中,只有PANID和频道相同的路由器才能加入此协调器建立的网络中。
如 PAN ID:1234 模块通道:FREQ_2405MHZ 11
4、在Zigbee网络参数配置中,依次分别点击“读取”按钮,自动检测显示模块的PAN ID、短地址、MAC地址、模块通道、节点类型、波特率、串口信息等参数 。
如 短地址:BE8F MAC地址:00124B0002CB1044 波特率:38400
5、串口参数配置,可以选择RS232、RS485、RS422等通讯方式。
6、模块可以重启。
7、若出现忘记设置参数值等无法解决通信时,点击“恢复出厂设置”按钮,所有参数设置恢复到出厂时的状态。
8、将其余所有模块设定为Router,设置方法同1-7。
|